Reference
Prohlédněte si moji práci:
NÁVRH PRŮMYSLOVÉHO TEPELNÉHO ČERPADLA
Prohlédnout referenci
Syráreň HAVRAN Senica, a.s.
Slovensko – tři projekty
Plzeňský Prazdroj, a.s.
Plzeň (člen skupiny Asahi Europe and International Group) – tři projekty – pivovar RADEGAST Nošovice
Plzeňský Prazdroj Slovensko, a.s.
pivovar Veľký Šariš - Slovensko - jeden projekt

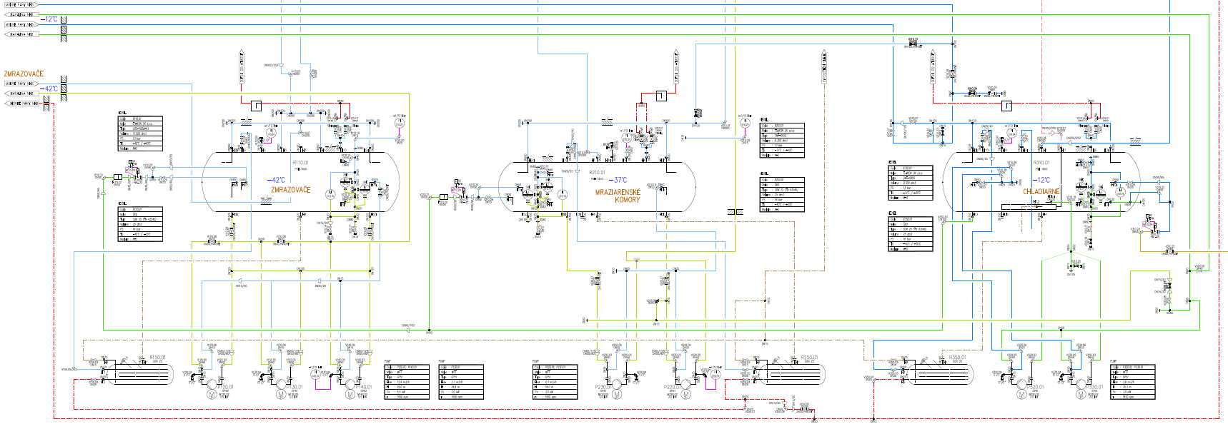
Krátký popis:
Jde o princip tepelného čerpadla znázorněnou obrázkovou formou h-p (ethalpie – tlak) v diagramu chladiva (R717; NH3 – amoniak).
Z chladicího systému s chladicím výkonem 500 kW (modelový příklad) při vypařovací teplotě -10°C a příkonem kompresoru 150 kW odchází 650 kW prostřednictvím kondenzátoru do okolního prostředí při kondenzační teplotě chladiva +30 až +35°C.
Pokud se toto teplo využije formou instalované nadstavby tepelného čerpadla, lze při příkonu dalšího kompresoru cca 140 kW získat teplo cca 800 kW při kondenzační teplotě chladiva +75°C. Teplota ohřáté vody může v tomto modelovém případě být např. +55/+75°C.
Pro konkrétní návrh je vždy důležité vědět, kolik tepla a na jaké teplotní úrovni je k dispozici a kolik tepla a na jaké úrovni bude vyžadováno k využití.
